IFM易福门
IN5225电感式双传感器来自德国IFM易福门用于阀门执行器的电感式双传感器 ,型号IND3004DBPKG/US-100-DPV,适用于监控阀门位置
适用于阀门执行器的可靠位置反馈;
IN5225电感式双传感器参数说明
工作电压 [V] 10...36 DC
电流损耗 [mA] 15
防护等级 II
反相保护 是
输出
电气设计 PNP
输出功能 2 x 常开
开关量输出DC电压降最大值 [V] 2.5
开关量输出DC的持续电流负载 [mA] 250
开关频率DC [Hz] 1300
短路保护 是
短路保护类型 脉冲
过载保护 是
监控范围
感应距离 [mm] 4
实际感应距离 Sr [mm] 4 ± 10 %
工作距离 [mm] 0...3.25
精度/偏差
校正系数 钢: 1 / 特种钢: 0.7 / 黄铜: 0.4 / 铝: 0.3 / 铜: 0.2
迟滞 [Sr的百分比] 1...15
开关点偏移 [Sr的百分比] -10...10
工作条件
环境温度 [°C] -25...80
外壳防护等级 IP 67
认证/测试
EMC电磁兼容
EN 60947-5-2
EN 55011 等级B
MTTF [年] 1057
UL认证
Ta 0...40 °C
Enclosure type Type 1
电源 Unlimited Voltage
文件数量UL E174191
机械技术数据
重量 [g] 39.6
外壳 矩形的
安装 非齐平安装
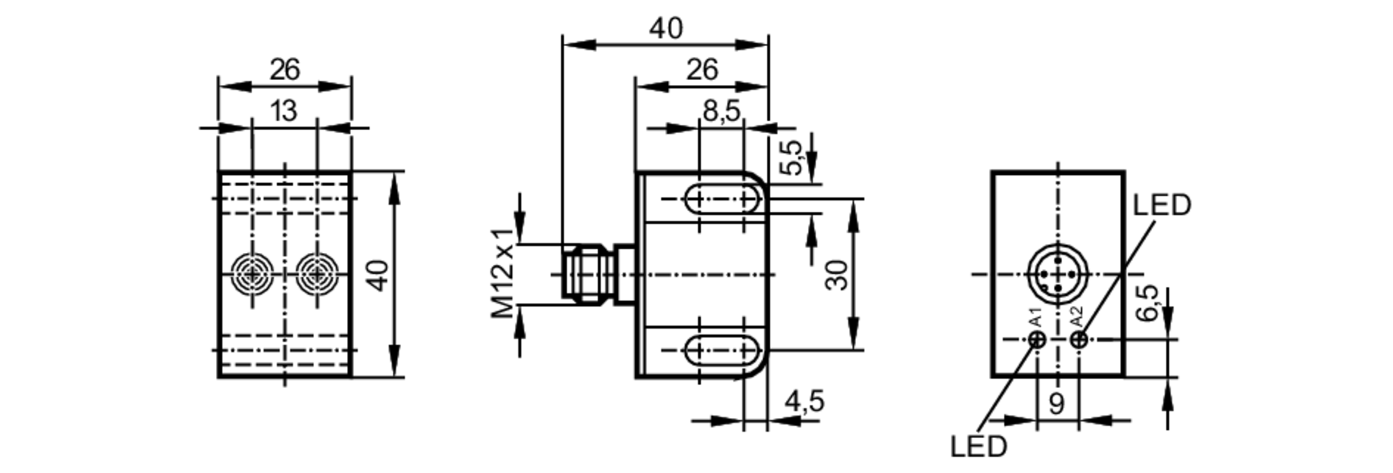
尺寸 [mm] 40 x 26 x 26
原材料 PBT
拧紧扭矩 [Nm] 0.6...1.5; (锁定螺母)
显示器/操作件
显示
开关状态 2 x LED, 黄色
注释
包装单位 1 件数
电气连接 - 插头
接口 接插件: 1 x M12; 触头: 镀金的
IN5225电感式双传感器??尺寸图
- 上一产品:SA1000流量传感器
- 下一产品:IGC204电感式传感器正品推荐






